Micro Load Cells, Small Load Cell, Miniature Load Cell
Model: SL-06
CAPACITY: 10-50kg
Features:
very small size, low capacity, Alloy steel material, Low Profile, Colourless anodized, s suitable for simple weighing scales such as hopper scales, fishing scales
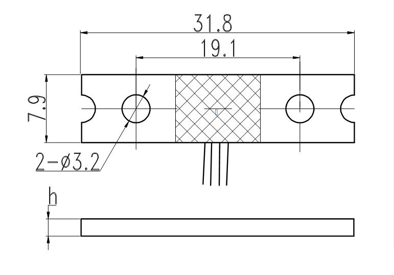
Dimensions:(mm)

H=2.5+/10.15
SPECIFICATION | |||
Precision: | 0.1% FS | ||
Rated Output: | 2.0 ±0.1 | ||
Creep(%F.S/30min): | ±0.3 | ||
Zero balance(%F.S): | ±1.0 | ||
Input resistance: | 1000±10 | ||
Output resistance: | 1000±10 | ||
Insulation resistance: | ≥5000(100VDC) | ||
Temp. effect on span(%F.S/10℃): | ±0.3 | ||
Temp. effect on zero(%F.S/10℃): | ±0.2 | ||
Use temp. range(℃): | -20~+55 | ||
Excitation voltage(V): | 9~12(DC) | ||
Safety overload (%F.S) | 120% | ||
Ultimate overload (%F.S) | 150% | ||
Defend grade | IP65 | ||
Cable Length: | 220 -660 mm | ||
Wire Connection Method | |||
RED=Input+ | BLACK=Input- | GREEN=Output+ | WHITE=Output- |
Hot Tags: micro load cells SL-06, China, manufacturers, suppliers, factory, made in China

